Meny

SeaTalk1

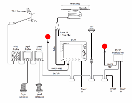
Det er en vanlig misforståelse at SeaTalk1 (ST1) er NMEA 0183, men det er dette ikke tilfelle.

SeaTalk 1 er et proprietært system designet av Raymarine. Mens de begge opererer på en seriell data protokoll, deler NMEA 0183 og ST1 ingen andre likheter.

 

SeaTalk 1 bruker 3 ledninger som tilkoblingsmetode, som er koblet parallelt på tvers av alle enheter. De 3 ledningene er som følger;

  1. Rød: +12V forsyning
  2. Skjerm/uisolert: GND / Felles for spenning og data
  3. Gul: Data (seriell)

Siden både meldingene og ledningene er forskjellige fra NMEA 0183, er de ikke direkte kompatible.

SeaTalk1-enheter er fremdeles vanlige på båter, og mens noen av dem jobber på sitt eget ST1-nettverk hvor enhetene er koblet sammen og kommuniserer toveis, jobber andre samtidig med en STNG omformer.

SeaTalk1 til STNG interface boks
-5%

SeaTalk1 til STNG interface boks

Pris
kr 1 606,00 kr 1 690,00
Seatalk1, 3-veis kontakt
-5%

Seatalk1, 3-veis kontakt

Pris
kr 656,00 kr 690,00
STNG til SeaTalk1, Overg.kbl.
-5%

STNG til SeaTalk1, Overg.kbl.

Pris
kr 276,00 kr 290,00


Sist sett på

Spoofing detection licenses JLR-41

Spoofing detection licenses JLR-41

Table mount bracket for NWZ-1650 JLR-8600/JFE-400

Table mount bracket for NWZ-1650 JLR-8600/JFE-400

JRC JLR-41 GNSS kompass

JRC JLR-41 GNSS kompass

Tank Level Adapter TLA100-01

Tank Level Adapter TLA100-01

Fantom 18x. Radar, Hvit

Fantom 18x. Radar, Hvit

DP Operator's Log Book

DP Operator's Log Book

CKM12 - 12 Switch Membrane Keypad (Circle on Buttons)

CKM12 - 12 Switch Membrane Keypad (Circle on Buttons)