Radiokontroll
Erfaring og Kvalitet
Sertifisert
Montering og service
99 33 15 00
Min side
Registrer
Logg inn
Logg inn
Registrer deg
Vis handlekurv
Handlekurven er tom
0
Total sum:
kr 0,00
Vis priser inkl. MVA
Nullstill
Tilbud
Fiskeri
Fiskeleting
Ekkolodd
Svingere
Adapterkabler
Tilbehør
Sonar
Strømlogg
Fangst Utstyr
Fangst sensor
Joksamaskiner
Bøyesporing
Sporing og fangstdagbok
Sporing og Fangstdagbok
Tilbehør
Strøm & Spenning
Lading
Mobil Ladere / Uttak
Batteri Ladere
Batteri til Batteri
Dynamo til Batteri
Lade Instrument
Lader Tilbehør
Lithium BMS
Inverter & Omformere
Omformere
Inverter
Strømforsyning
Omformere Multifunksjon
Inverter tilbehør
Landstrøm
Pakker
Adapter Kabler
Kabler & Splittere
Kontakter
Sikring
Distribusjon
Lanterne
Brytere og sikringer
GMDSS
Batteri
Lithium
AGM
Alkalisk
Tilbehør
Kabler
Batteri
Signal
Spenning
UPS
Online
Line-interactive
Digital Switching
Betjening og indikator
Utgangs enhet
Kommunikasjon
Radio kommunikasjon
Fastmontert
Bærbart
Batteri & Tilbehør
Headset & PTT
Navtex
Antenner & Tilbehør
Antenner
Tilbehør
Plugger
Antenne fester
Coax kabel
Nød produkter
SART
EPIRB & PLB
HRU - Hydrostatutløser
Skilt
MOB
Satelitt kommunikasjon
TVRO antenner
Iridium
Airtime
Publikasjoner
Dagbøker
Publikasjoner
Mobiltelefoni & Internet
Mobil routere
Nettverk
Tilbehør
Intercom
Dekk Intercom
Navigasjon
Kartmaskin
Multifunksjon
Kart
Godkjent Kartsystem
Fiskeriplotter
Tilbehør
Radar
Radar System
Radar display
Radar antenner
Tilbehør
Radar Service deler
Monitor
Skjermer
Tilbehør
Fester
Autopilot
Autopilot System
Pumper & Drivenheter
Styrehendler & Fjernkontroll
Enheter og Tilbehør
Kompass & GPS
GPS
GPS kompass
Magnet kompass
Gyro kompass
Rate kompass
Tilbehør GPS og Kompass
AIS
Klasse A
Klasse B
Instrument & Sensorer
Instrument Pakker
Instrument
Sensorer
Pynte instrument
Brovakt
Brovakt system
Nautisk Utstyr
Kikkert
Sekstant
Pelorus
Kart Utstyr
Krengningsmåler
NMEA & Ethernet
NMEA2000 & Seatalk
Startkit
Kabler
Overganger & Koblinger
Interface
Data Interface
Motor & sensor Interface
Adapter & Sensorer til interface
Ethernet
Switch
Kabel
Tilbehør
NMEA 183
Kabler
Buffer
Multiplexer
Serieport
Tilbehør
Interface
Annet Utstyr
Alarm
Brann
Lense
GSM
Brovakt
GA Alarm
Maskin Alarm
Overvåking
Videokamera
Tilbehør
Lys
Spotlys
Flomlys
Søkelys
Lanterner
Interiørlys
Lyd & Underholdning
Fusion
Annet
Sikkerhet
Kikkert
Flyteplagg
Flåte
ULB - Undervanns lokasjon pingere
Motor & Styring
Thruster & Tilbehør
Kontrollutstyr
Ror og Tilbehør
Installasjon
Plater
Gjennomføringer
Pods
Fester
Brukt & Restparti
Fiskeri
Multifunksjon skjerm
Lyd & Underholdning
Autopilot & tilbehør
VHF, UHF & tilbehør
Instrumenter & sensorer
Strøm & Spenning
NMEA2000 & NMEA0183
Radar
Tjenester
Service
Raymarine
Service
Inspeksjon
Radioinspeksjon
Magnetkompass justering
VDR APT
Utleie
Radio
Satelittkommunikasjon
System løsninger
Merker
Radiokontroll
Erfaring og Kvalitet
Sertifisert
Montering og service
Vis handlekurv
Handlekurven er tom
0
Total sum:
kr 0,00
Nullstill
Meny
Vis priser inkl. MVA
Logg inn
Registrer
Du er her:
/
Hjem
/
Strøm & Spenning
/
Digital Switching
/
Utgangs enhet
/
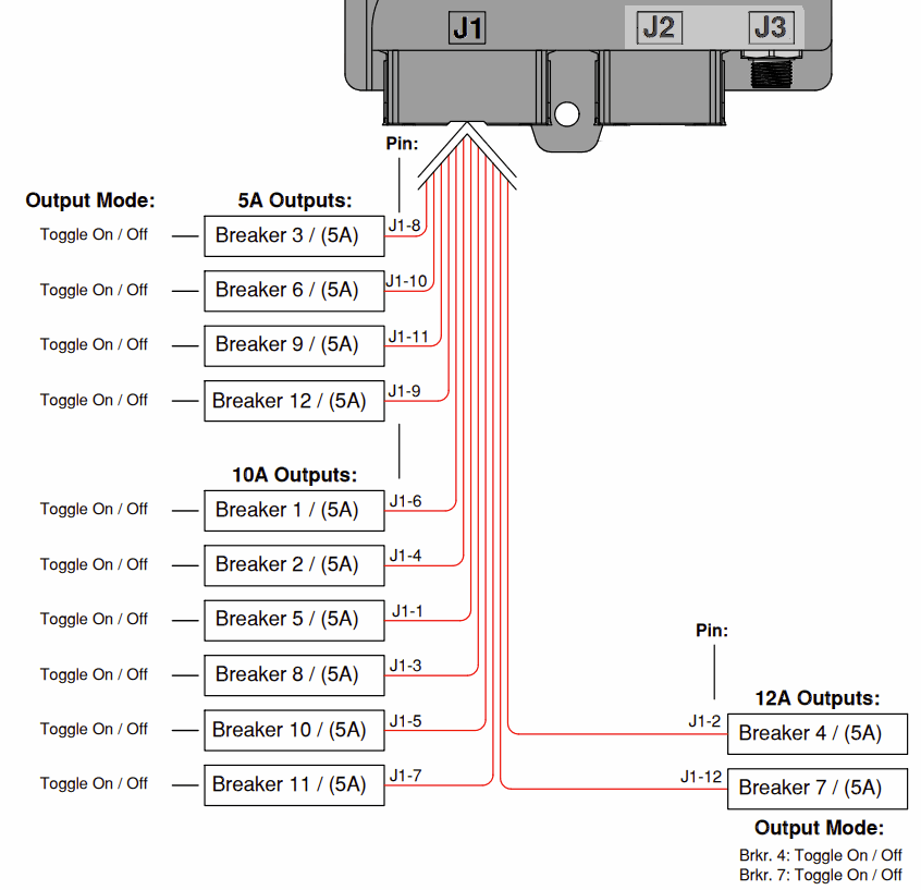
Kabel J1 til CLMD12-enheten.
Maretron
Kabel J1 til CLMD12-enheten.
Produktnr.:
A3706
Lager
På lager
kr 1 099,00
Kvantumsrabatt
1
stk.
Kjøp
Legg i handleliste
Vare
Informasjon
Pris
Antall
MPower CLMD12 12-kanals DC strømmodul.
Lager
På lager
CLMD12
kr 8 390,00
Antall valgte produkter:
Valgte produkter sum:
Valgte produkter før:
Valgte produkter rabatt:
Antall produkter:
Sum:
Før:
Rabatt:
Kjøp
Kabel J1 til CLMD12-enheten.
Tilkobling av strøm kurser
Bestselgere
0
RG58 COAX KABEL
Pris
kr 38,00
0
NMEA 0183 PC Opto-isolator cable, RS232 DB9 female, shielded
Pris
kr 1 468,00
NY UTGAVE KOMMER
0
IAMSAR VOL.III. International Aeronautical and Maritime Sear
Pris
kr 1 999,00
0
Raymarine STNG, Backbonekabel - Flere lengder
Tilbud
-11%
0
LightHouse Kart - Nord Europa
Pris
kr 2 313,00
kr 2 590,00
0
UHF Batteri- Zodiac 1350mAH Litium for Zodiac Freetalk Pro
Pris
kr 550,00
0
NMEA 0183 to NMEA 2000 Gateway, with PC interface (ISO connection)
Pris
kr 3 283,00
NYHET!
0
Tron SA20 PLB Personal Locator Beacon
Pris
kr 4 563,00
Relaterte varer
0
MPower CLMD12 12-kanals DC strømmodul.
Pris
kr 8 390,00
/Stk.
0
Tilførsel mellom Kabel till CBMD12-enheten
Pris
kr 139,00
/Stk
0
CLMD16, J3-tilkoblingssett
Pris
kr 1 549,00
/Stk
0
MPower CLMD16, 16-kanals DC strømmodul.
Pris
kr 24 199,00
/Stk
0
MPower 12-kanals bypass-modul
Pris
kr 3 049,00
/Stk
0
CLMD16, J2-tilkoblingskontakt med 1 meter kabel.
Pris
kr 1 019,00
/Stk